Инженерное оборудование — Насосное оборудование — Водоснабжение — Циркуляционные насосы — Насос Native NOCE 40/1-12 F
Насос Native NOCE 40/1-12 F
Бренд:
Артикул:
3601462
Количество насосов:
Одинарный
Напряжение питания, В:
210..240
Максимальный расход Qmax, м³/ч:
22
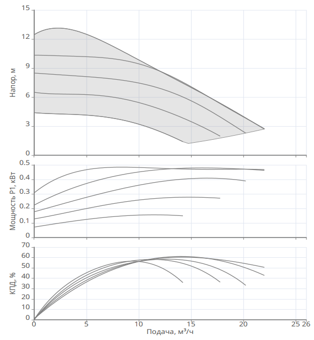
Максимальный напор, м.вод.ст.:
12.45
Максимальная потребляемая мощность, Вт:
550
Максимальное рабочее давление, бар:
10
Максимальная температура перекачиваемой жидкости, °С:
110
Минимальная температура перекачиваемой жидкости, °С:
2
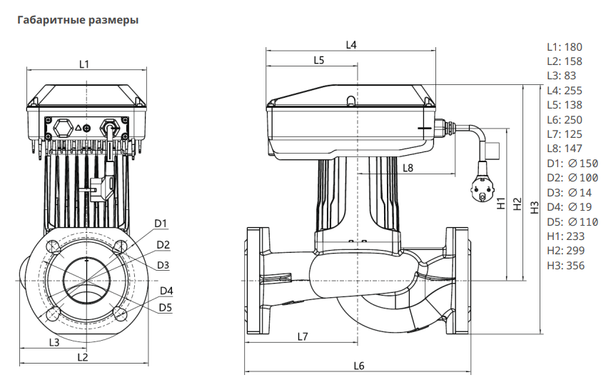
Номинальный диаметр (DN), мм:
40
Присоединение на напорной стороне:
Фланцевое DN40
Присоединение на всасывающей стороне:
Фланцевое DN40
Корпус (материал):
Чугун
Рабочее колесо (материал):
Композит
Монтажная длина, мм:
250
Все характеристики
Скачать характеристики
100 598 ₽с НДС
Специальные условия для юрлиц
Наличие, склад:
Ногинск12 шт
Возможна отсрочка платежа
Скачать КП
Появились вопросы о товаре? Узнать у специалиста
Энергоэффективный циркуляционный насос 'NOCE 40/1-12 F' с мокрым ротором и фланцевым соединением. Предназначен для систем отопления и вентиляции, а также для приточных установок и промышленных циркуляционных систем. Насос оснащён синхронным EC-двигателем на постоянных магнитах с автоматическим поддержанием выбранного режима работы. Максимальный напор составляет '12,45' м, а максимальный расход — '22' м³/ч.
Скачать характеристики
| Бренд | Native![]() |
| Количество ступеней | Одноступенчатый |
| Вид насоса | Центробежный |
| Тип насоса | Поверхностный |
| Количество насосов | Одинарный |
| Напряжение питания, В | 210..240 |
| Максимальный расход Qmax, м³/ч | 22 |
| Максимальный напор, м.вод.ст. | 12.45 |
| Номинальный ток, А | 2.5 |
| Частота тока, Гц | 50 |
| Максимальная потребляемая мощность, Вт | 550 |
| Максимальное рабочее давление, бар | 10 |
| Максимальная температура перекачиваемой жидкости, °С | 110 |
| Минимальная температура перекачиваемой жидкости, °С | 2 |
| Номинальный диаметр (DN), мм | 40 |
| Присоединение на напорной стороне | Фланцевое DN40 |
| Присоединение на всасывающей стороне | Фланцевое DN40 |
| Перекачиваемая жидкость | Вода |
| Тип электродвигателя | Однофазный |
| Корпус (материал) | Чугун |
| Рабочее колесо (материал) | Композит |
| Класс нагревостойкости изоляции | F |
| Класс защиты | IP 44 |
| Монтажная длина, мм | 250 |
| Серия | NOCE |
| Тип ротора | Мокрый |
| Наличие частотного преобразователя | Да |
| Габариты без упаковки, см | 25x15.8x35.6 |
| Масса нетто, кг | 15 |
У данного товара нет отзывов. Станьте первым, кто оставит отзыв о товаре!
Пожалуйста, авторизируйтесь чтобы оставлять отзывы и оценки



