Инженерное оборудование — Насосное оборудование — Водоснабжение — Циркуляционные насосы — Насос Native NOZ 40/14 EM S3
Насос Native NOZ 40/14 EM S3
Бренд:
Артикул:
3601438
Количество насосов:
Одинарный
Напряжение питания, В:
210..240
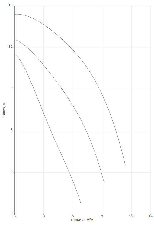
Максимальный расход Qmax, м³/ч:
11.39
Максимальный напор, м.вод.ст.:
14.41
Максимальная потребляемая мощность, Вт:
700
Максимальное рабочее давление, бар:
10
Максимальная температура перекачиваемой жидкости, °С:
110
Минимальная температура перекачиваемой жидкости, °С:
2
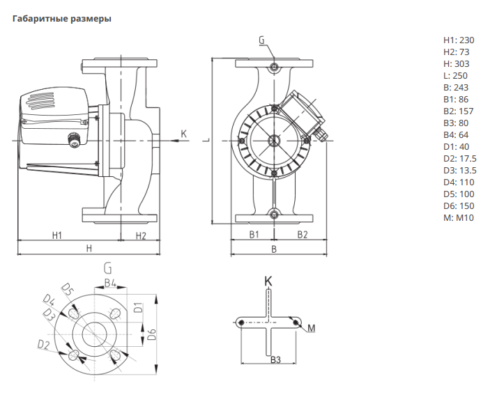
Номинальный диаметр (DN), мм:
40
Присоединение на напорной стороне:
Фланцевое DN40
Присоединение на всасывающей стороне:
Фланцевое DN40
Корпус (материал):
Чугун
Рабочее колесо (материал):
Композит
Монтажная длина, мм:
250
Все характеристики
Скачать характеристики
Цена по запросу
Обновлено: 18.03 10:50Специальные условия для юрлиц
Наличие и стоимость уточняйте у менеджера
Появились вопросы о товаре? Узнать у специалиста
Циркуляционный насос Native NOZ 40/14 EM S3 представляет собой стандартный насос с мокрым ротором. Предназначен для систем отопления, вентиляции и ГВС. Модель имеет монтажную длину 250 мм, фланцевое присоединение DN40 и рассчитана на перекачивание воды и водо-гликолевых растворов. Корпус гидравлической части выполнен из чугуна, рабочее колесо — из композитного материала.
Скачать характеристики
| Бренд | Native![]() |
| Количество ступеней | Одноступенчатый |
| Вид насоса | Центробежный |
| Тип насоса | Поверхностный |
| Количество насосов | Одинарный |
| Напряжение питания, В | 210..240 |
| Максимальный расход Qmax, м³/ч | 11.39 |
| Максимальный напор, м.вод.ст. | 14.41 |
| Номинальный ток, А | 3.4 |
| Частота тока, Гц | 50 |
| Максимальная потребляемая мощность, Вт | 700 |
| Максимальное рабочее давление, бар | 10 |
| Максимальная температура перекачиваемой жидкости, °С | 110 |
| Минимальная температура перекачиваемой жидкости, °С | 2 |
| Номинальный диаметр (DN), мм | 40 |
| Присоединение на напорной стороне | Фланцевое DN40 |
| Присоединение на всасывающей стороне | Фланцевое DN40 |
| Перекачиваемая жидкость | Вода |
| Тип электродвигателя | Однофазный |
| Корпус (материал) | Чугун |
| Рабочее колесо (материал) | Композит |
| Класс нагревостойкости изоляции | H |
| Класс защиты | IP 42 |
| Монтажная длина, мм | 250 |
| Серия | NOZ |
| Тип ротора | Мокрый |
| Количество скоростных режимов | 3 |
| Наличие частотного преобразователя | Нет |
| Габариты без упаковки, см | 25x24.3x30.3 |
| Масса нетто, кг | 20.3 |
У данного товара нет отзывов. Станьте первым, кто оставит отзыв о товаре!
Пожалуйста, авторизируйтесь чтобы оставлять отзывы и оценки



