Инженерное оборудование — Насосное оборудование — Водоснабжение — Циркуляционные насосы — Насос Native NOC 80/9 DM S3
Насос Native NOC 80/9 DM S3
Бренд:
Артикул:
3601357
Количество насосов:
Одинарный
Напряжение питания, В:
380..420
Максимальный расход Qmax, м³/ч:
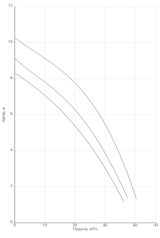
40.42
Максимальный напор, м.вод.ст.:
10.29
Максимальная потребляемая мощность, Вт:
1000
Максимальное рабочее давление, бар:
10
Максимальная температура перекачиваемой жидкости, °С:
110
Минимальная температура перекачиваемой жидкости, °С:
2
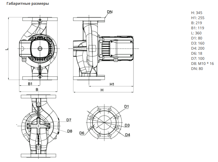
Номинальный диаметр (DN), мм:
80
Присоединение на напорной стороне:
Фланцевое DN80
Присоединение на всасывающей стороне:
Фланцевое DN80
Корпус (материал):
Чугун
Рабочее колесо (материал):
Композит
Монтажная длина, мм:
360
Все характеристики
Скачать характеристики
Цена по запросу
Обновлено: 11.03 10:53Специальные условия для юрлиц
Наличие и стоимость уточняйте у менеджера
Появились вопросы о товаре? Узнать у специалиста
Циркуляционный насос Native NOC 80/9 DM S3 относится к серии NOC S и выполнен с мокрым ротором. Насос предназначен для установки в системах отопления и вентиляции, отличается пониженным уровнем шума благодаря обновленному дизайну гидравлической части, ротора и рабочего колеса. Оснащен асинхронным трехфазным электродвигателем 3~400 В / 50 Гц со степенью защиты IP 44 и классом изоляции F. Корпус гидравлической части выполнен из чугуна, рабочее колесо изготовлено из композитного материала.
Скачать характеристики
| Бренд | Native![]() |
| Количество ступеней | Одноступенчатый |
| Вид насоса | Центробежный |
| Тип насоса | Поверхностный |
| Количество насосов | Одинарный |
| Напряжение питания, В | 380..420 |
| Максимальный расход Qmax, м³/ч | 40.42 |
| Максимальный напор, м.вод.ст. | 10.29 |
| Номинальный ток, А | 2.5 |
| Частота тока, Гц | 50 |
| Максимальная потребляемая мощность, Вт | 1000 |
| Максимальное рабочее давление, бар | 10 |
| Максимальная температура перекачиваемой жидкости, °С | 110 |
| Минимальная температура перекачиваемой жидкости, °С | 2 |
| Номинальный диаметр (DN), мм | 80 |
| Присоединение на напорной стороне | Фланцевое DN80 |
| Присоединение на всасывающей стороне | Фланцевое DN80 |
| Перекачиваемая жидкость | Вода |
| Тип электродвигателя | Трехфазный |
| Корпус (материал) | Чугун |
| Рабочее колесо (материал) | Композит |
| Класс нагревостойкости изоляции | F |
| Класс защиты | IP 44 |
| Монтажная длина, мм | 360 |
| Серия | NOC |
| Тип ротора | Мокрый |
| Количество скоростных режимов | 3 |
| Наличие частотного преобразователя | Нет |
| Габариты без упаковки, см | 36x21.9x34.5 |
| Масса нетто, кг | 26 |
У данного товара нет отзывов. Станьте первым, кто оставит отзыв о товаре!
Пожалуйста, авторизируйтесь чтобы оставлять отзывы и оценки



