Инженерное оборудование — Насосное оборудование — Насосные станции — Насосные станции водоснабжения — Насосная станция Wilo HWJ-203-EM-50-R
Насосная станция Wilo HWJ-203-EM-50-R
2549383
Наличие, склад:
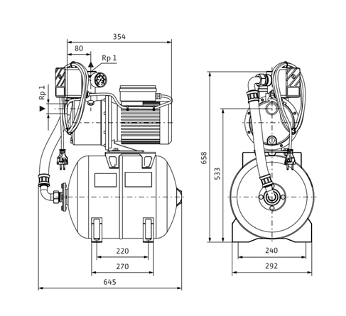
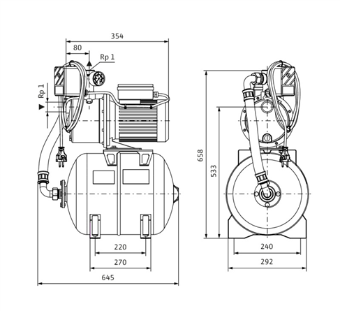
Установка с центробежным насосом в компактном исполнении с горизонтальным всасывающим и вертикальным напорным патрубком, которая состоит из следующих компонентов:
Самовсасывающий одноступенчатый струйный насос со сквозным насосным валом электродвигателя и не зависящим от направления вращения скользящим торцовым уплотнением. Напрямую присоединенный фланцами однофазный или трехфазный электродвигатель со встроенным термическим защитным выключателем и конденсатором в однофазном исполнении.
Система управления насосом с управляющим агрегатом и мембранным напорным резервуаром, манометрическим выключателем и манометром (0–6 бар).
Напорный бак оснащен прочной заменяемой мембраной из EPDM с высокими рабочими характеристиками.
Все детали, находящиеся в контакте с перекачиваемой жидкостью, выполнены в антикоррозионном исполнении.
Насосная установка предварительно установлена в готовом к подсоединению виде и подключается с помощью кабеля длиной 2 м и сетевого штекера. Идеально подходит для переносной эксплуатации в саду или для различных увлечений. В трехфазном исполнении подсоединение выполняется через клеммную коробку.
| Бренд | Wilo![]() |
| Конструкционный тип | Горизонтальный |
| Напряжение питания, В | 210..240 |
| Номинальная мощность, Вт | 750 |
| Максимальный расход Qmax, м³/ч | 5 |
| Максимальный напор, м.вод.ст. | 42 |
| Перекачиваемая среда | Чистая вода |
| Присоединение на всасывающей стороне, мм | 25 |
| Присоединение на напорной стороне, мм | 25 |
| Тип присоединения | Резьбовое |
| Объем мембранного бака, л | 50 |
| Высота подъема воды, м | 8 |
| Максимальное давление в системе, бар | 6 |
| Максимальная температура перекачиваемой жидкости, °С | 35 |
| Номинальная частота вращения, об/мин | 2900 |
| Материал корпуса | Нержавеющая сталь |
| Материал уплотнения | Nitril |
| Материал рабочего колеса | Нержавеющая сталь |
| Вид электродвигателя | 1-фазный |
| Автоматическая система управления | Нет |
| Частотный преобразователь | Нет |
| Манометр | Есть |
| Серия | Jet HWJ |
| Степень защиты | IP 44 |
| Габариты без упаковки, см | 70x36x66 |
| Масса нетто, кг | 24 |
У данного товара нет отзывов. Станьте первым, кто оставит отзыв о товаре!
Пожалуйста, авторизируйтесь чтобы оставлять отзывы и оценки




