Инженерное оборудование — Насосное оборудование — Водоснабжение — Циркуляционные насосы — Насос Native NOZ 80/8 DM S3
Насос Native NOZ 80/8 DM S3
Бренд:
Артикул:
3601434
Количество насосов:
Одинарный
Напряжение питания, В:
380..420
Максимальный расход Qmax, м³/ч:
37.98
Максимальный напор, м.вод.ст.:
10.07
Максимальная потребляемая мощность, Вт:
1000
Максимальное рабочее давление, бар:
10
Максимальная температура перекачиваемой жидкости, °С:
110
Минимальная температура перекачиваемой жидкости, °С:
2
Номинальный диаметр (DN), мм:
80
Присоединение на напорной стороне:
Фланцевое DN80
Присоединение на всасывающей стороне:
Фланцевое DN80
Корпус (материал):
Чугун
Рабочее колесо (материал):
Нержавеющая сталь
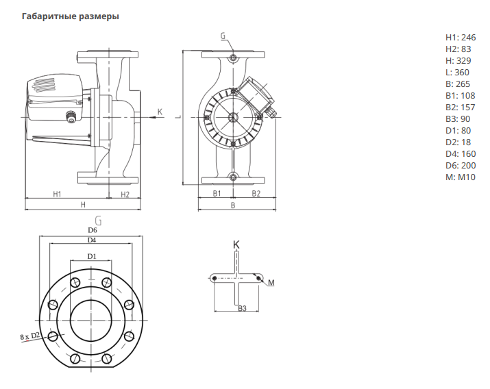
Монтажная длина, мм:
360
Все характеристики
Скачать характеристики
Цена по запросу
Обновлено: 11.03 09:45Специальные условия для юрлиц
Наличие и стоимость уточняйте у менеджера
Появились вопросы о товаре? Узнать у специалиста
Циркуляционный насос с мокрым ротором серии 'NOZ S' предназначен для систем отопления, вентиляции и ГВС. Оснащен асинхронным трехфазным двигателем '3~400 В / 50 Гц' с классом защиты IP 42 и классом нагревостойкости изоляции H. Насос имеет фланцевые присоединения DN80, максимальную температуру жидкости 110 °С и максимальное рабочее давление 10 бар. Корпус гидравлической части выполнен из чугуна, рабочее колесо — из нержавеющей стали.
Скачать характеристики
| Бренд | Native![]() |
| Количество ступеней | Одноступенчатый |
| Вид насоса | Центробежный |
| Тип насоса | Поверхностный |
| Количество насосов | Одинарный |
| Напряжение питания, В | 380..420 |
| Максимальный расход Qmax, м³/ч | 37.98 |
| Максимальный напор, м.вод.ст. | 10.07 |
| Номинальный ток, А | 2.3 |
| Частота тока, Гц | 50 |
| Максимальная потребляемая мощность, Вт | 1000 |
| Максимальное рабочее давление, бар | 10 |
| Максимальная температура перекачиваемой жидкости, °С | 110 |
| Минимальная температура перекачиваемой жидкости, °С | 2 |
| Номинальный диаметр (DN), мм | 80 |
| Присоединение на напорной стороне | Фланцевое DN80 |
| Присоединение на всасывающей стороне | Фланцевое DN80 |
| Перекачиваемая жидкость | Вода |
| Тип электродвигателя | Трехфазный |
| Корпус (материал) | Чугун |
| Рабочее колесо (материал) | Нержавеющая сталь |
| Класс нагревостойкости изоляции | H |
| Класс защиты | IP 42 |
| Монтажная длина, мм | 360 |
| Серия | NOZ |
| Тип ротора | Мокрый |
| Количество скоростных режимов | 3 |
| Наличие частотного преобразователя | Нет |
| Габариты без упаковки, см | 36x26.5x32.9 |
| Масса нетто, кг | 18.2 |
У данного товара нет отзывов. Станьте первым, кто оставит отзыв о товаре!
Пожалуйста, авторизируйтесь чтобы оставлять отзывы и оценки
Вы недавно смотрели



