Инженерное оборудование — Насосное оборудование — Водоснабжение — Циркуляционные насосы — Насос Native NOCE 40/2-15 F
Насос Native NOCE 40/2-15 F
Бренд:
Артикул:
3601463
Количество насосов:
Одинарный
Напряжение питания, В:
210..240
Максимальный расход Qmax, м³/ч:
24
Максимальный напор, м.вод.ст.:
15.53
Максимальная потребляемая мощность, Вт:
670
Максимальное рабочее давление, бар:
10
Максимальная температура перекачиваемой жидкости, °С:
110
Минимальная температура перекачиваемой жидкости, °С:
2
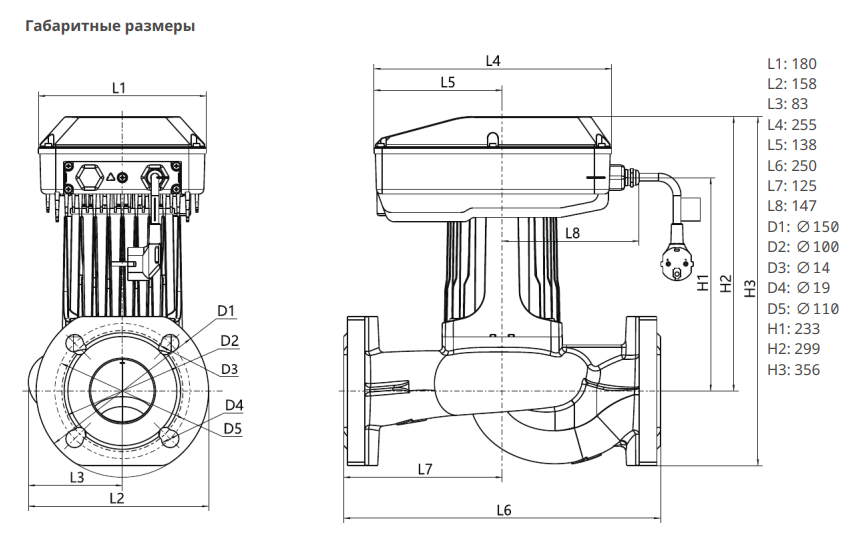
Номинальный диаметр (DN), мм:
40
Присоединение на напорной стороне:
Фланцевое DN40
Присоединение на всасывающей стороне:
Фланцевое DN40
Корпус (материал):
Чугун
Рабочее колесо (материал):
Композит
Монтажная длина, мм:
250
Все характеристики
Скачать характеристики
123 459 ₽с НДС
Специальные условия для юрлиц
Наличие, склад:
Ногинск20 шт
Возможна отсрочка платежа
Скачать КП
Появились вопросы о товаре? Узнать у специалиста
Энергоэффективный циркуляционный насос NOCE 40/2-15 F с мокрым ротором и фланцевым соединением предназначен для систем отопления, вентиляции, приточных установок и промышленных циркуляционных систем. Насос оснащен синхронным EC-электродвигателем на постоянных магнитах и поддерживает режимы постоянной скорости, постоянного и пропорционального перепада давления, а также адаптивный режим. Максимальное рабочее давление составляет 10 бар, температура перекачиваемой жидкости — от 2 °С до 110 °С. Корпус выполнен из чугуна с катафорезным покрытием, рабочее колесо — из композитного материала.
Скачать характеристики
| Бренд | Native![]() |
| Количество ступеней | Одноступенчатый |
| Вид насоса | Центробежный |
| Тип насоса | Поверхностный |
| Количество насосов | Одинарный |
| Напряжение питания, В | 210..240 |
| Максимальный расход Qmax, м³/ч | 24 |
| Максимальный напор, м.вод.ст. | 15.53 |
| Номинальный ток, А | 3.5 |
| Частота тока, Гц | 50 |
| Максимальная потребляемая мощность, Вт | 670 |
| Максимальное рабочее давление, бар | 10 |
| Максимальная температура перекачиваемой жидкости, °С | 110 |
| Минимальная температура перекачиваемой жидкости, °С | 2 |
| Номинальный диаметр (DN), мм | 40 |
| Присоединение на напорной стороне | Фланцевое DN40 |
| Присоединение на всасывающей стороне | Фланцевое DN40 |
| Перекачиваемая жидкость | Вода |
| Тип электродвигателя | Однофазный |
| Корпус (материал) | Чугун |
| Рабочее колесо (материал) | Композит |
| Класс нагревостойкости изоляции | F |
| Класс защиты | IP 44 |
| Монтажная длина, мм | 250 |
| Серия | NOCE |
| Тип ротора | Мокрый |
| Наличие частотного преобразователя | Да |
| Габариты без упаковки, см | 25x15.8x35.6 |
| Масса нетто, кг | 15 |
У данного товара нет отзывов. Станьте первым, кто оставит отзыв о товаре!
Пожалуйста, авторизируйтесь чтобы оставлять отзывы и оценки
Вы недавно смотрели



