Инженерное оборудование — Насосное оборудование — Водоснабжение — Циркуляционные насосы — Насос Native NOZ 50/16 DM S3
Насос Native NOZ 50/16 DM S3
Бренд:
Артикул:
3601429
Количество насосов:
Одинарный
Напряжение питания, В:
380..420
Максимальный расход Qmax, м³/ч:
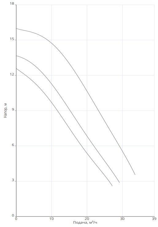
33.61
Максимальный напор, м.вод.ст.:
15.98
Максимальная потребляемая мощность, Вт:
1300
Максимальное рабочее давление, бар:
10
Максимальная температура перекачиваемой жидкости, °С:
110
Минимальная температура перекачиваемой жидкости, °С:
2
Номинальный диаметр (DN), мм:
50
Присоединение на напорной стороне:
Фланцевое DN50
Присоединение на всасывающей стороне:
Фланцевое DN50
Корпус (материал):
Чугун
Рабочее колесо (материал):
Композит
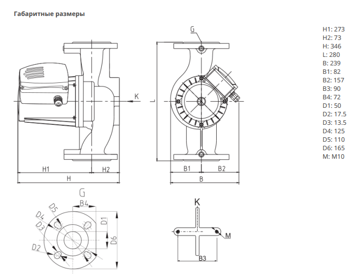
Монтажная длина, мм:
280
Все характеристики
Скачать характеристики
Цена по запросуОбновлено: 01.04 10:22
Специальные условия для юрлиц
Наличие и стоимость уточняйте у менеджера
Появились вопросы о товаре? Узнать у специалиста
Циркуляционный насос серии 'NOZ S' с мокрым ротором предназначен для систем отопления, вентиляции и ГВС. Модель 'NOZ 50/16 DM S3' оснащена асинхронным трехфазным двигателем '3~400 В / 50 Гц' и имеет монтажную длину 280 мм. Максимальная температура перекачиваемой жидкости составляет 110 °С, максимальное рабочее давление — 10 бар. Корпус гидравлической части выполнен из чугуна, а рабочее колесо — из композитного материала.
Скачать характеристики
| Бренд | Native![]() |
| Количество ступеней | Одноступенчатый |
| Вид насоса | Центробежный |
| Тип насоса | Поверхностный |
| Количество насосов | Одинарный |
| Напряжение питания, В | 380..420 |
| Максимальный расход Qmax, м³/ч | 33.61 |
| Максимальный напор, м.вод.ст. | 15.98 |
| Номинальный ток, А | 3.05 |
| Частота тока, Гц | 50 |
| Максимальная потребляемая мощность, Вт | 1300 |
| Максимальное рабочее давление, бар | 10 |
| Максимальная температура перекачиваемой жидкости, °С | 110 |
| Минимальная температура перекачиваемой жидкости, °С | 2 |
| Номинальный диаметр (DN), мм | 50 |
| Присоединение на напорной стороне | Фланцевое DN50 |
| Присоединение на всасывающей стороне | Фланцевое DN50 |
| Перекачиваемая жидкость | Вода |
| Тип электродвигателя | Трехфазный |
| Корпус (материал) | Чугун |
| Рабочее колесо (материал) | Композит |
| Класс нагревостойкости изоляции | H |
| Класс защиты | IP 42 |
| Монтажная длина, мм | 280 |
| Серия | NOZ |
| Тип ротора | Мокрый |
| Количество скоростных режимов | 3 |
| Наличие частотного преобразователя | Нет |
| Габариты без упаковки, см | 28x23.9x34.6 |
| Масса нетто, кг | 22.9 |
Вы недавно смотрели



