Инженерное оборудование — Насосное оборудование — Водоснабжение — Циркуляционные насосы — Насос Native NOZ 65/12 EM S3
Насос Native NOZ 65/12 EM S3
Бренд:
Артикул:
3601443
Количество насосов:
Одинарный
Напряжение питания, В:
210..240
Максимальный расход Qmax, м³/ч:
36.82
Максимальный напор, м.вод.ст.:
12.46
Максимальная потребляемая мощность, Вт:
1300
Максимальное рабочее давление, бар:
10
Максимальная температура перекачиваемой жидкости, °С:
110
Минимальная температура перекачиваемой жидкости, °С:
2
Номинальный диаметр (DN), мм:
65
Присоединение на напорной стороне:
Фланцевое DN65
Присоединение на всасывающей стороне:
Фланцевое DN65
Корпус (материал):
Чугун
Рабочее колесо (материал):
Нержавеющая сталь
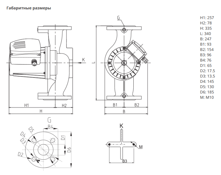
Монтажная длина, мм:
340
Все характеристики
Скачать характеристики
Цена по запросу
Обновлено: 11.03 09:29Специальные условия для юрлиц
Наличие и стоимость уточняйте у менеджера
Появились вопросы о товаре? Узнать у специалиста
Циркуляционный насос серии 'NOZ S' с мокрым ротором предназначен для систем отопления, вентиляции и ГВС. Модель 'NOZ 65/12 EM S3' имеет монтажную длину 340 мм, присоединение DN65 PN6/10 с обеих сторон и рассчитана на перекачивание воды или водо-гликолевых растворов. Максимальная температура жидкости составляет 110 °С, максимальное рабочее давление — 10 бар. Корпус гидравлической части выполнен из чугуна, рабочее колесо — из нержавеющей стали.
Скачать характеристики
| Бренд | Native![]() |
| Количество ступеней | Одноступенчатый |
| Вид насоса | Центробежный |
| Тип насоса | Поверхностный |
| Количество насосов | Одинарный |
| Напряжение питания, В | 210..240 |
| Максимальный расход Qmax, м³/ч | 36.82 |
| Максимальный напор, м.вод.ст. | 12.46 |
| Номинальный ток, А | 5.8 |
| Частота тока, Гц | 50 |
| Максимальная потребляемая мощность, Вт | 1300 |
| Максимальное рабочее давление, бар | 10 |
| Максимальная температура перекачиваемой жидкости, °С | 110 |
| Минимальная температура перекачиваемой жидкости, °С | 2 |
| Номинальный диаметр (DN), мм | 65 |
| Присоединение на напорной стороне | Фланцевое DN65 |
| Присоединение на всасывающей стороне | Фланцевое DN65 |
| Перекачиваемая жидкость | Вода |
| Тип электродвигателя | Однофазный |
| Корпус (материал) | Чугун |
| Рабочее колесо (материал) | Нержавеющая сталь |
| Класс нагревостойкости изоляции | H |
| Класс защиты | IP 42 |
| Монтажная длина, мм | 340 |
| Серия | NOZ |
| Тип ротора | Мокрый |
| Количество скоростных режимов | 3 |
| Наличие частотного преобразователя | Нет |
| Габариты без упаковки, см | 34x24.7x33.5 |
| Масса нетто, кг | 25 |
У данного товара нет отзывов. Станьте первым, кто оставит отзыв о товаре!
Пожалуйста, авторизируйтесь чтобы оставлять отзывы и оценки
Вы недавно смотрели



