Инженерное оборудование — Теплообменное оборудование — Пластинчатые паяные теплообменники — Теплообменник паяный ТТ ТТ15-14H-3.0 SP
Теплообменник паяный ТТ ТТ15-14H-3.0 SP
Бренд:
Артикул:
ТТ15-14H-3.0 SP
Количество пластин:
14
Номинальный диаметр (DN), мм:
20
Максимальная рабочая температура, °C:
200
Площадь теплообмена, м2:
0.18
Максимальное рабочее давление, бар:
30
Серия:
ТТ15
Все характеристики
Скачать характеристики
8 800 ₽с НДС
Специальные условия для юрлиц
Наличие, склад:
Новосибирск69 шт
Возможна отсрочка платежа
Скачать КП
Появились вопросы о товаре? Узнать у специалиста
Паяный теплообменник ТТ - это надежный высококачеcтвенный теплообменный аппарат. Конструкция теплообменника состоит из теплообменных пластин, которые обеспечивают эффективный теплообмен между рабочими средами.
Скачать характеристики
| Бренд | ТТ![]() |
| Применение | Отопление, ГВС |
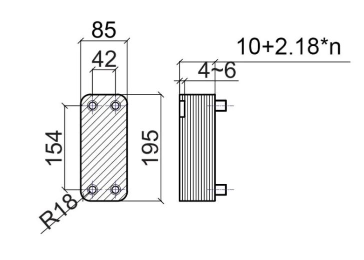
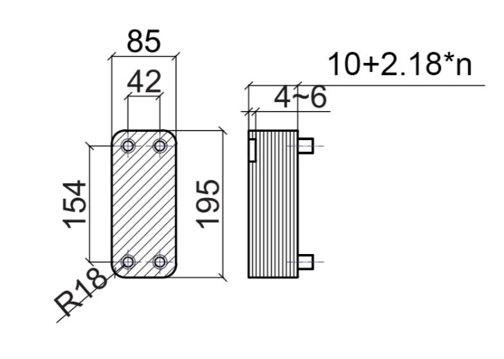
| Количество пластин | 14 |
| Материал пластин | AISI316 |
| Номинальный диаметр (DN), мм | 20 |
| Максимальная рабочая температура, °C | 200 |
| Материал припоя | Медь |
| Площадь теплообмена, м2 | 0.18 |
| Площадь одной пластины, м2 | 15 |
| Максимальное рабочее давление, бар | 30 |
| Серия | ТТ15 |
| Габариты без упаковки, см | 6x8.5x19.5 |
| Масса нетто, кг | 1.3 |
У данного товара нет отзывов. Станьте первым, кто оставит отзыв о товаре!
Пожалуйста, авторизируйтесь чтобы оставлять отзывы и оценки


