Инженерное оборудование — Насосное оборудование — Водоснабжение — Циркуляционные насосы — Насос Wilo IL 80/170-11/2-R
Насос Wilo IL 80/170-11/2-R
Бренд:
Артикул:
2786119
Конструкционный тип:
Вертикальный
Количество насосов:
Одинарный
Напряжение питания, В:
380..420
Максимальный расход Qmax, м³/ч:
71
Максимальный напор, м.вод.ст.:
40.6
Максимальная потребляемая мощность, Вт:
11000
Максимальное рабочее давление, бар:
16
Максимальная температура перекачиваемой жидкости, °С:
140
Минимальная температура перекачиваемой жидкости, °С:
-20
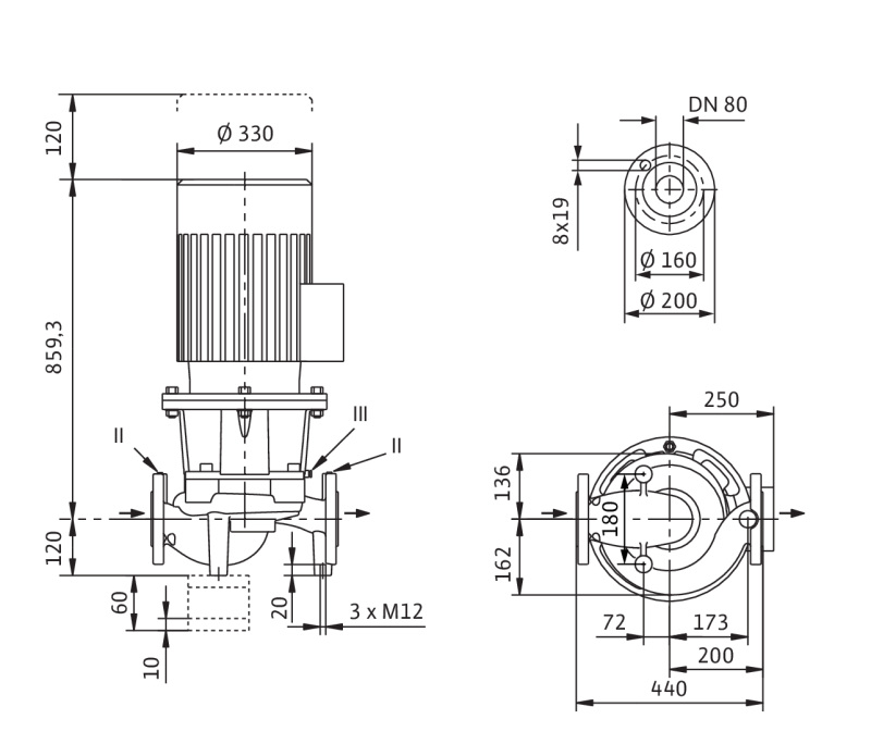
Номинальный диаметр (DN), мм:
80
Присоединение на напорной стороне:
Фланцевое DN80
Присоединение на всасывающей стороне:
Фланцевое DN80
Корпус (материал):
Чугун
Рабочее колесо (материал):
Чугун
Монтажная длина, мм:
440
Все характеристики
Скачать характеристики
505 553 ₽с НДС
Обновлено: 23.03 07:10Специальные условия для юрлиц
Наличие, склад:
Якутск1 шт
Возможна отсрочка платежа
Скачать КП
Появились вопросы о товаре? Узнать у специалиста
Одноступенчатый центробежный насос с сухим ротором линейного типа, предназначенный для установки в трубах или на фундаменте. Блочная конструкция с низким уровнем шума и вибрации, с фонарем и неподвижно присоединенным стандартным электродвигателем с фланцевым креплением (стандартный электродвигатель). С не зависящим от направления вращения скользящим торцевым уплотнением в кожухе с принудительным охлаждением и снижающим кавитацию рабочим колесом. Фланцы имеют штуцеры R 1/8 для измерения давления.
Скачать характеристики
| Бренд | Wilo![]() |
| Конструкционный тип | Вертикальный |
| Количество ступеней | Одноступенчатый |
| Вид насоса | Центробежный |
| Тип насоса | Поверхностный |
| Количество насосов | Одинарный |
| Напряжение питания, В | 380..420 |
| Максимальный расход Qmax, м³/ч | 71 |
| Максимальный напор, м.вод.ст. | 40.6 |
| Номинальный ток, А | 19.6 |
| Частота тока, Гц | 50 |
| Максимальная потребляемая мощность, Вт | 11000 |
| Максимальное рабочее давление, бар | 16 |
| Максимальная температура перекачиваемой жидкости, °С | 140 |
| Минимальная температура перекачиваемой жидкости, °С | -20 |
| Номинальный диаметр (DN), мм | 80 |
| Присоединение на напорной стороне | Фланцевое DN80 |
| Присоединение на всасывающей стороне | Фланцевое DN80 |
| Перекачиваемая жидкость | Вода |
| Тип электродвигателя | Трехфазный |
| Корпус (материал) | Чугун |
| Рабочее колесо (материал) | Чугун |
| Класс нагревостойкости изоляции | F |
| Класс защиты | IP 55 |
| Монтажная длина, мм | 440 |
| Серия | IL |
| Тип ротора | Сухой |
| Количество скоростных режимов | 1 |
| Наличие частотного преобразователя | Нет |
| Габариты без упаковки, см | 44x29.8x90.6 |
| Масса нетто, кг | 151 |
Вы недавно смотрели



