Инженерное оборудование — Насосное оборудование — Дренажные и канализационные насосы — Насос Native NSPG CF50/400-1.1
Насос Native NSPG CF50/400-1.1
Бренд:
Артикул:
3601257
Конструкционный тип:
Вертикальный
Количество ступеней:
Одноступенчатый
Вид насоса:
Центробежный
Тип насоса:
Погружной
Количество насосов:
Одинарный
Напряжение питания, В:
380..420
Максимальный расход Qmax, м³/ч:
12
Максимальный напор, м.вод.ст.:
20.4
Максимальная потребляемая мощность, Вт:
1100
Максимальное рабочее давление, бар:
10
Максимальная температура перекачиваемой жидкости, °С:
40
Минимальная температура перекачиваемой жидкости, °С:
3
Выход насоса (мм):
50
Перекачиваемая жидкость:
Грязная вода
Наличие режущего механизма:
Есть
Корпус (материал):
Чугун
Рабочее колесо (материал):
Нержавеющая сталь
Все характеристики
Скачать характеристики
56 663 ₽с НДС
Специальные условия для юрлиц
Наличие, склад:
Ногинск31 шт
Возможна отсрочка платежа
Скачать КП
Появились вопросы о товаре? Узнать у специалиста
Погружной насос с режущим механизмом для откачивания сточной и грязной воды из канализационных насосных станций, шахт, котлованов и резервуаров. Насос для вертикальной мобильной или стационарной установки.
Скачать характеристики
| Бренд | Native![]() |
| Конструкционный тип | Вертикальный |
| Количество ступеней | Одноступенчатый |
| Вид насоса | Центробежный |
| Тип насоса | Погружной |
| Количество насосов | Одинарный |
| Напряжение питания, В | 380..420 |
| Максимальный расход Qmax, м³/ч | 12 |
| Максимальный напор, м.вод.ст. | 20.4 |
| Номинальный ток, А | 2.57 |
| Частота тока, Гц | 50 |
| Максимальная потребляемая мощность, Вт | 1100 |
| Максимальное рабочее давление, бар | 10 |
| Максимальная температура перекачиваемой жидкости, °С | 40 |
| Минимальная температура перекачиваемой жидкости, °С | 3 |
| Стандарт трубного присоединения | Фланцевое |
| Выход насоса (мм) | 50 |
| Перекачиваемая жидкость | Грязная вода |
| Наличие режущего механизма | Есть |
| Тип электродвигателя | Трехфазный |
| Корпус (материал) | Чугун |
| Рабочее колесо (материал) | Нержавеющая сталь |
| Вал (материал) | Нержавеющая сталь |
| Класс нагревостойкости изоляции | F |
| Класс защиты | IP 68 |
| Наличие частотного преобразователя | Нет |
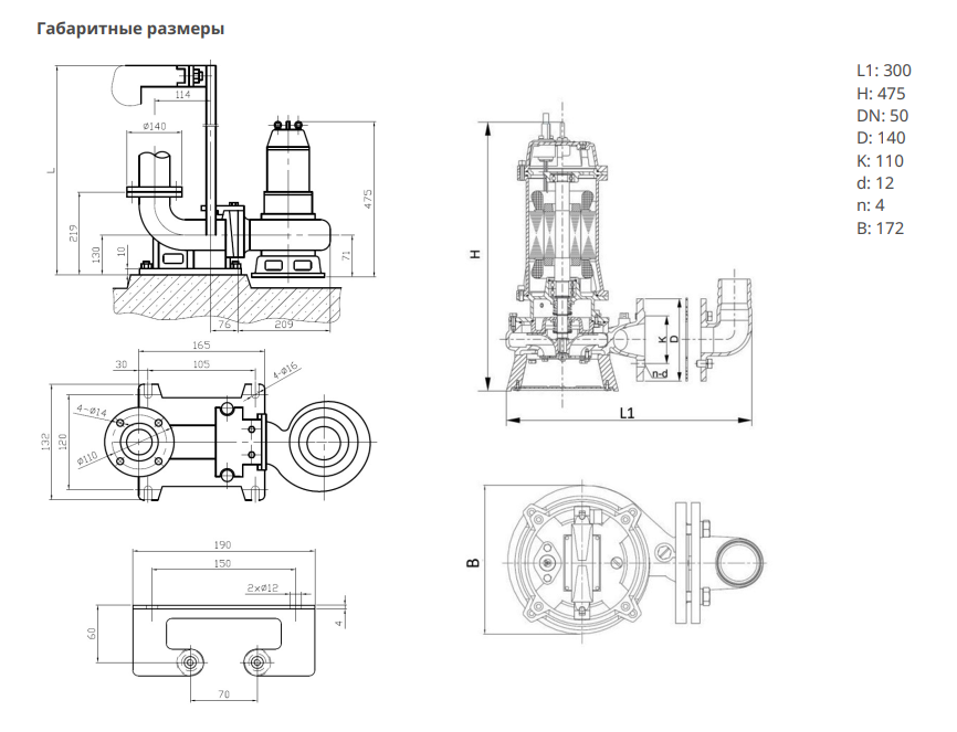
| Габариты без упаковки, см | 30x17.2x47.5 |
| Масса нетто, кг | 25 |
У данного товара нет отзывов. Станьте первым, кто оставит отзыв о товаре!
Пожалуйста, авторизируйтесь чтобы оставлять отзывы и оценки



