Инженерное оборудование — Насосное оборудование — Дренажные и канализационные насосы — Насос Native NSPG CF50/230-2.2
Насос Native NSPG CF50/230-2.2
Бренд:
Артикул:
3601254
Конструкционный тип:
Вертикальный
Количество ступеней:
Одноступенчатый
Вид насоса:
Центробежный
Тип насоса:
Погружной
Количество насосов:
Одинарный
Напряжение питания, В:
210..240
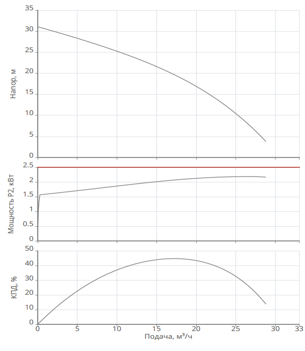
Максимальный расход Qmax, м³/ч:
28.8
Максимальный напор, м.вод.ст.:
30.9
Максимальная потребляемая мощность, Вт:
2200
Максимальное рабочее давление, бар:
10
Максимальная температура перекачиваемой жидкости, °С:
40
Минимальная температура перекачиваемой жидкости, °С:
3
Выход насоса (мм):
50
Перекачиваемая жидкость:
Грязная вода
Наличие режущего механизма:
Есть
Корпус (материал):
Чугун
Рабочее колесо (материал):
Нержавеющая сталь
Все характеристики
Скачать характеристики
68 112 ₽с НДС
Специальные условия для юрлиц
Наличие и стоимость уточняйте у менеджера
Екатеринбургсрок от 19 до 21 недели
Возможна отсрочка платежа
Скачать КП
Появились вопросы о товаре? Узнать у специалиста
Погружной насос с режущим механизмом для откачивания сточной и грязной воды из канализационных насосных станций, шахт, котлованов и резервуаров. Насос для вертикальной мобильной или стационарной установки.
Скачать характеристики
| Бренд | Native![]() |
| Конструкционный тип | Вертикальный |
| Количество ступеней | Одноступенчатый |
| Вид насоса | Центробежный |
| Тип насоса | Погружной |
| Количество насосов | Одинарный |
| Напряжение питания, В | 210..240 |
| Максимальный расход Qmax, м³/ч | 28.8 |
| Максимальный напор, м.вод.ст. | 30.9 |
| Номинальный ток, А | 13.1 |
| Частота тока, Гц | 50 |
| Максимальная потребляемая мощность, Вт | 2200 |
| Максимальное рабочее давление, бар | 10 |
| Максимальная температура перекачиваемой жидкости, °С | 40 |
| Минимальная температура перекачиваемой жидкости, °С | 3 |
| Стандарт трубного присоединения | Фланцевое |
| Выход насоса (мм) | 50 |
| Перекачиваемая жидкость | Грязная вода |
| Наличие режущего механизма | Есть |
| Тип электродвигателя | Однофазный |
| Корпус (материал) | Чугун |
| Рабочее колесо (материал) | Нержавеющая сталь |
| Вал (материал) | Нержавеющая сталь |
| Класс нагревостойкости изоляции | F |
| Класс защиты | IP 68 |
| Наличие частотного преобразователя | Нет |
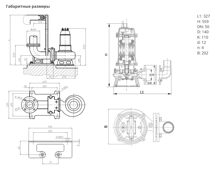
| Габариты без упаковки, см | 32.7x20.2x55.9 |
| Масса нетто, кг | 41 |
У данного товара нет отзывов. Станьте первым, кто оставит отзыв о товаре!
Пожалуйста, авторизируйтесь чтобы оставлять отзывы и оценки



