Инженерное оборудование — Насосное оборудование — Водоснабжение — Циркуляционные насосы — Насос Native NOZ 65/8 EM S3
Насос Native NOZ 65/8 EM S3
Бренд:
Артикул:
3601442
Количество насосов:
Одинарный
Напряжение питания, В:
210..240
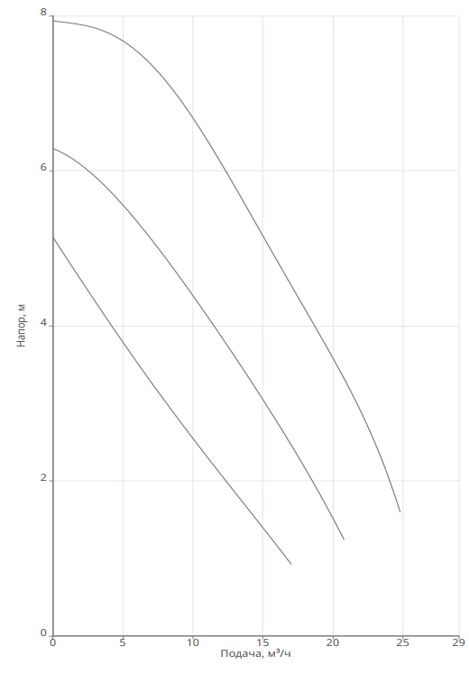
Максимальный расход Qmax, м³/ч:
24.81
Максимальный напор, м.вод.ст.:
7.93
Максимальная потребляемая мощность, Вт:
700
Максимальное рабочее давление, бар:
10
Максимальная температура перекачиваемой жидкости, °С:
110
Минимальная температура перекачиваемой жидкости, °С:
2
Номинальный диаметр (DN), мм:
65
Присоединение на напорной стороне:
Фланцевое DN65
Присоединение на всасывающей стороне:
Фланцевое DN65
Корпус (материал):
Чугун
Рабочее колесо (материал):
Нержавеющая сталь
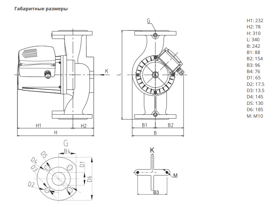
Монтажная длина, мм:
340
Все характеристики
Скачать характеристики
Цена по запросу
Обновлено: 11.03 09:30Специальные условия для юрлиц
Наличие и стоимость уточняйте у менеджера
Появились вопросы о товаре? Узнать у специалиста
Циркуляционный насос 'NOZ 65/8 EM S3' относится к серии 'NOZ S' и выполнен с мокрым ротором. Насос предназначен для систем отопления, вентиляции и ГВС, имеет фланцевое присоединение DN65 PN6/10 и монтажную длину 340 мм. Максимальная температура перекачиваемой жидкости составляет 110 °C, максимальное рабочее давление — 10 бар. Корпус гидравлической части выполнен из чугуна, рабочее колесо — из нержавеющей стали.
Скачать характеристики
| Бренд | Native![]() |
| Количество ступеней | Одноступенчатый |
| Вид насоса | Центробежный |
| Тип насоса | Поверхностный |
| Количество насосов | Одинарный |
| Напряжение питания, В | 210..240 |
| Максимальный расход Qmax, м³/ч | 24.81 |
| Максимальный напор, м.вод.ст. | 7.93 |
| Номинальный ток, А | 3.4 |
| Частота тока, Гц | 50 |
| Максимальная потребляемая мощность, Вт | 700 |
| Максимальное рабочее давление, бар | 10 |
| Максимальная температура перекачиваемой жидкости, °С | 110 |
| Минимальная температура перекачиваемой жидкости, °С | 2 |
| Номинальный диаметр (DN), мм | 65 |
| Присоединение на напорной стороне | Фланцевое DN65 |
| Присоединение на всасывающей стороне | Фланцевое DN65 |
| Перекачиваемая жидкость | Вода |
| Тип электродвигателя | Однофазный |
| Корпус (материал) | Чугун |
| Рабочее колесо (материал) | Нержавеющая сталь |
| Класс нагревостойкости изоляции | H |
| Класс защиты | IP 42 |
| Монтажная длина, мм | 340 |
| Серия | NOZ |
| Тип ротора | Мокрый |
| Количество скоростных режимов | 3 |
| Наличие частотного преобразователя | Нет |
| Габариты без упаковки, см | 34x24.2x31 |
| Масса нетто, кг | 18 |
У данного товара нет отзывов. Станьте первым, кто оставит отзыв о товаре!
Пожалуйста, авторизируйтесь чтобы оставлять отзывы и оценки
Вы недавно смотрели



