Инженерное оборудование — Насосное оборудование — Водоснабжение — Циркуляционные насосы — Насос Native NOCE 50/1-10 F
Насос Native NOCE 50/1-10 F
Бренд:
Артикул:
3601466
Количество насосов:
Одинарный
Напряжение питания, В:
210..240
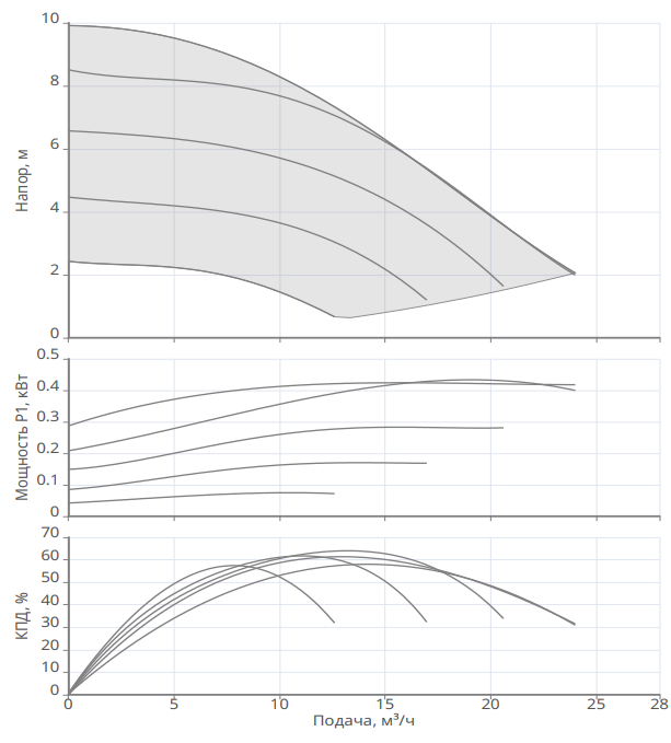
Максимальный расход Qmax, м³/ч:
24
Максимальный напор, м.вод.ст.:
9.91
Максимальная потребляемая мощность, Вт:
435
Максимальное рабочее давление, бар:
10
Максимальная температура перекачиваемой жидкости, °С:
110
Минимальная температура перекачиваемой жидкости, °С:
2
Номинальный диаметр (DN), мм:
50
Присоединение на напорной стороне:
Фланцевое DN50
Присоединение на всасывающей стороне:
Фланцевое DN50
Корпус (материал):
Чугун
Рабочее колесо (материал):
Композит
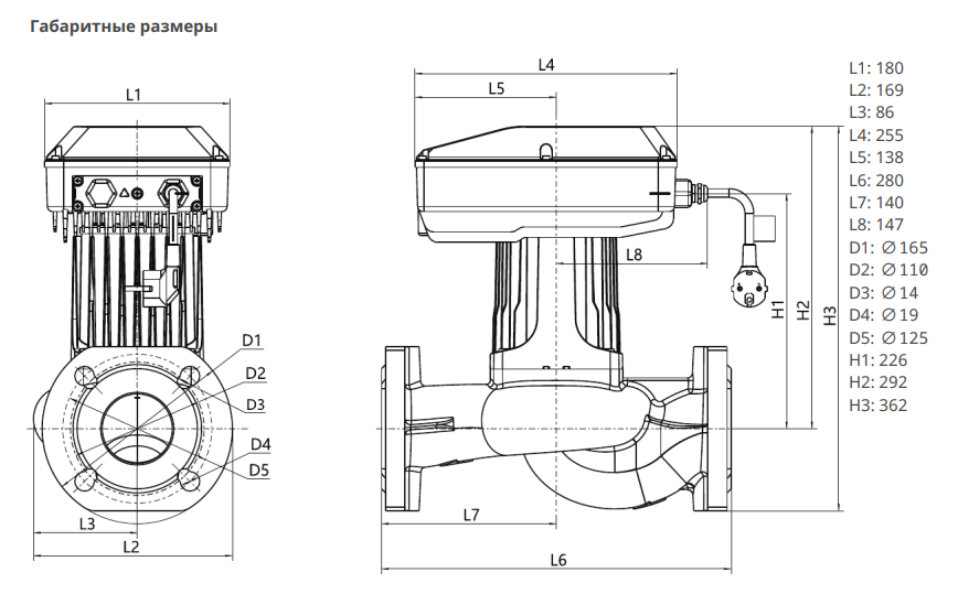
Монтажная длина, мм:
280
Все характеристики
Скачать характеристики
117 313 ₽с НДС
Специальные условия для юрлиц
Наличие, склад:
Ногинск1 шт
Возможна отсрочка платежа
Скачать КП
Появились вопросы о товаре? Узнать у специалиста
Энергоэффективный циркуляционный насос с мокрым ротором и фланцевым соединением. Предназначен для систем отопления и вентиляции, а также для промышленных циркуляционных систем. Оснащен электронно-коммутируемым двигателем на постоянных магнитах и поддерживает автоматическое поддержание выбранного режима работы. Максимальное рабочее давление составляет 10 бар, температура перекачиваемой жидкости — от 2 до 110 °C.
Скачать характеристики
| Бренд | Native![]() |
| Количество ступеней | Одноступенчатый |
| Вид насоса | Центробежный |
| Тип насоса | Поверхностный |
| Количество насосов | Одинарный |
| Напряжение питания, В | 210..240 |
| Максимальный расход Qmax, м³/ч | 24 |
| Максимальный напор, м.вод.ст. | 9.91 |
| Номинальный ток, А | 2.2 |
| Частота тока, Гц | 50 |
| Максимальная потребляемая мощность, Вт | 435 |
| Максимальное рабочее давление, бар | 10 |
| Максимальная температура перекачиваемой жидкости, °С | 110 |
| Минимальная температура перекачиваемой жидкости, °С | 2 |
| Номинальный диаметр (DN), мм | 50 |
| Присоединение на напорной стороне | Фланцевое DN50 |
| Присоединение на всасывающей стороне | Фланцевое DN50 |
| Перекачиваемая жидкость | Вода |
| Тип электродвигателя | Однофазный |
| Корпус (материал) | Чугун |
| Рабочее колесо (материал) | Композит |
| Класс нагревостойкости изоляции | F |
| Класс защиты | IP 44 |
| Монтажная длина, мм | 280 |
| Серия | NOCE |
| Тип ротора | Мокрый |
| Наличие частотного преобразователя | Да |
| Габариты без упаковки, см | 28x17.2x36.2 |
| Масса нетто, кг | 15 |
У данного товара нет отзывов. Станьте первым, кто оставит отзыв о товаре!
Пожалуйста, авторизируйтесь чтобы оставлять отзывы и оценки



