Инженерное оборудование — Насосное оборудование — Промышленные насосы — Многоступенчатый насос Wellmix CV 1- 8-0-HQCV (3х380В, 0.55кВт,IE3)






Многоступенчатый насос Wellmix CV 1- 8-0-HQCV (3х380В, 0.55кВт,IE3)
25019907
Наличие и стоимость уточняйте у менеджера
Насосы CV представляют собой вертикальные многоступенчатые центробежные насосы с нормальным всасыванием со стандартным электродвигателем. Насос состоит из основания и головной части. Промежуточные камеры и цилиндрический кожух соединены между собой, а также с основанием и головной частью при помощи стяжных болтов. Всасывающий и напорный патрубки находятся в основании насоса и расположены соосно (конструкция «ин-лайн»), что позволяет устанавливать насос на горизонтальном трубопроводе. Все насосы оснащаются необслуживаемым торцевым механическим уплотнением вала картриджевого типа.
| Бренд | WELLMIX![]() |
| Конструкционный тип | Вертикальный |
| Количество ступеней | Многоступенчатый |
| Вид насоса | Центробежный |
| Тип насоса | Поверхностный |
| Количество насосов | Одинарный |
| Напряжение питания, В | 380..420 |
| Максимальный расход Qmax, м³/ч | 3 |
| Максимальный напор, м.вод.ст. | 129 |
| Номинальный ток, А | 4.7 |
| Частота тока, Гц | 50 |
| Максимальная потребляемая мощность, Вт | 2200 |
| Максимальное рабочее давление, бар | 25 |
| Максимальная температура перекачиваемой жидкости, °С | 120 |
| Минимальная температура перекачиваемой жидкости, °С | -20 |
| Номинальный диаметр (DN), мм | 32 |
| Присоединение на напорной стороне | Фланцевое DN32 |
| Присоединение на всасывающей стороне | Фланцевое DN32 |
| Перекачиваемая жидкость | Вода |
| Тип электродвигателя | Трехфазный |
| Корпус (материал) | Чугун |
| Рабочее колесо (материал) | Нержавеющая сталь |
| Серия | CV |
| Тип ротора | Сухой |
| Количество скоростных режимов | 1 |
| Наличие частотного преобразователя | Нет |
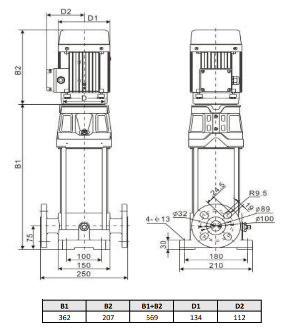
| Габариты без упаковки, см | 21x25x56.9 |
| Масса нетто, кг | 25 |
У данного товара нет отзывов. Станьте первым, кто оставит отзыв о товаре!
Пожалуйста, авторизируйтесь чтобы оставлять отзывы и оценки
Показать еще
