Инженерное оборудование — Насосное оборудование — Водоснабжение — Циркуляционные насосы — Циркуляционный насос Wellmix TG 32-21/2T, BQQE (3х380В, 1.5кВт)
Циркуляционный насос Wellmix TG 32-21/2T, BQQE (3х380В, 1.5кВт)
Бренд:
Артикул:
12019996
Конструкционный тип:
Вертикальный
Количество насосов:
Одинарный
Напряжение питания, В:
380..420
Максимальный расход Qmax, м³/ч:
16
Максимальный напор, м.вод.ст.:
25
Максимальная потребляемая мощность, Вт:
1500
Максимальное рабочее давление, бар:
16
Максимальная температура перекачиваемой жидкости, °С:
104
Минимальная температура перекачиваемой жидкости, °С:
-20
Номинальный диаметр (DN), мм:
32
Присоединение на напорной стороне:
Фланцевое DN32
Присоединение на всасывающей стороне:
Фланцевое DN32
Корпус (материал):
Чугун
Рабочее колесо (материал):
Чугун
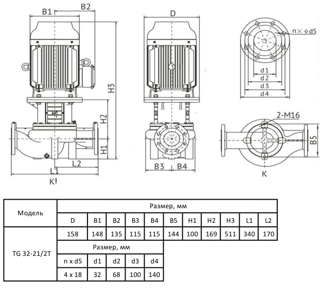
Монтажная длина, мм:
340
Все характеристики
Скачать характеристики
55 409 ₽с НДС
Обновлено: 13.03 08:58Специальные условия для юрлиц
Наличие, склад:
Чехов2 шт
Возможна отсрочка платежа
Скачать КП
Появились вопросы о товаре? Узнать у специалиста
Насосы серии TG – одноступенчатые центробежные насосы с патрубками одинакового диаметра, расположенными в одну в линию («in-line»).
Насосы данной серии имеют штампованное рабочее колесо из чугуна марки НТ200. Доступны во фланцевом исполнении.
Насосы оснащены асинхронным электродвигателем с воздушным охлаждением. Конструкция насоса позволяет снять головную часть насоса (двигатель, фонарь и рабочее колесо) для технического или сервисного обслуживания без полного демонтажа насоса с трубопровода.
Скачать характеристики
| Бренд | WELLMIX![]() |
| Конструкционный тип | Вертикальный |
| Количество ступеней | Одноступенчатый |
| Вид насоса | Центробежный |
| Тип насоса | Поверхностный |
| Количество насосов | Одинарный |
| Напряжение питания, В | 380..420 |
| Максимальный расход Qmax, м³/ч | 16 |
| Максимальный напор, м.вод.ст. | 25 |
| Номинальный ток, А | 3.2 |
| Частота тока, Гц | 50 |
| Максимальная потребляемая мощность, Вт | 1500 |
| Максимальное рабочее давление, бар | 16 |
| Максимальная температура перекачиваемой жидкости, °С | 104 |
| Минимальная температура перекачиваемой жидкости, °С | -20 |
| Номинальный диаметр (DN), мм | 32 |
| Присоединение на напорной стороне | Фланцевое DN32 |
| Присоединение на всасывающей стороне | Фланцевое DN32 |
| Перекачиваемая жидкость | Вода |
| Тип электродвигателя | Трехфазный |
| Корпус (материал) | Чугун |
| Рабочее колесо (материал) | Чугун |
| Класс защиты | IP 55 |
| Монтажная длина, мм | 340 |
| Серия | TG |
| Количество скоростных режимов | 1 |
| Наличие частотного преобразователя | Нет |
| Габариты без упаковки, см | 34x15.8x51.1 |
| Масса нетто, кг | 41 |






